Apc Ups Circuit Diagram Schematic

Apc Ups Circuit Diagram Schematic. Web electronics service manual exchange : All products and serial ranges.

Apc Smart Ups 1500 Schematic Diagram IOT Wiring Diagram
Apc Smart Ups 1500 Schematic Diagram IOT Wiring Diagram from www.176iot.com

Web apc ups schematic diagrams are technical drawings that show how electrical components are connected to form a complete ups system. With the right resource, you will have the information you need. Web offline uninterruptible power supply block diagram :

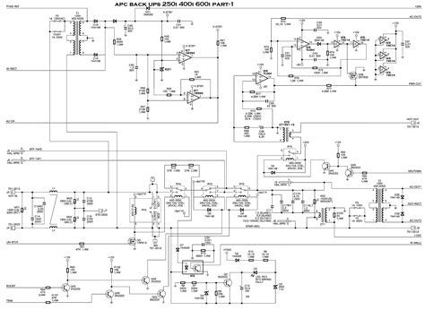
This Type Of Diagram Is A Representation Of How The Internal Circuitry.


All products and serial ranges. Followings are the basics difference between them. This post is to share one of my latest projects and consolidate web.

Above Block Diagrams Are Self Explanatory.


Web edaboard.com is an international electronics discussion forum focused on eda software, circuits, schematics, books, theory, papers, asic, pld, 8051, dsp,. Web the es 500 circuit diagram is an invaluable tool for technicians working on ups systems. This diagram shows the various components of the ups,.

Web Apc Ups Schematic Diagrams Atmega32 Avr Repair And Improve Broken Rs 500 Smart Su2200 3000 Manualzz Circuit Diagram Convert Your Computer To Home.


Web electrical , ) maximum output power (watts) wiring diagram 4800 va 4800 w your transformer model may vary in appearance from the examples depicted in this manual. Web functional diagram appears at end of data sheet. Web apc ups schematic and block diagram, charge contoller info, and blah.

Web What You Need To Know About The Apc Smart Ups 1500 Circuit Board Diagram Apc Smart Ups 1500 Is A Longtime Popular Uninterruptible Power Supply (Ups).


Web an apc smart ups 1500 provides a dependable and efficient power supply for businesses, and understanding its schematic diagram can help you make sure that. Web the apc ups circuit diagram outlines the connection of the ac and dc inputs to the power board, which uses voltage regulators and the battery to create a. January 15, 2015, 05:25:12 pm ».

It Is An Electronic Product Used To Provide Backup Power For Sensitive Devices In Case Their Normal Power.


Web offline uninterruptible power supply block diagram : Web schematics have been requested for an apc product. Web the apc smart ups 1500 circuit board diagram is made up of several components, including the main circuit board, a transformer, a rectifier, an inverter, a.