Adjustable Bed Wiring Diagram

Adjustable Bed Wiring Diagram. Web the exception of the battery compartment, if equipped) will void the warranty. Web wiring diagram for a sunquest pro 24s tanning bed?

Hospital Bed Wiring Diagram trending means
Hospital Bed Wiring Diagram trending means from trending-means.blogspot.com

+45 7445 8048 vat no.: Web indoor furnishing mattress firm 300 setup manual. Web king adjustable bed motion serta icomfort base custom ii split foundation frame twin xl single frames.

Web In This Video, I Have Explained How To Completely Wire A Bedroom.if You Have Any Questions, Please Comment Below The Video.


17 pictures about bed parts diagram | another home image ideas : Web only use the adjustable bed base for its intended use as described in this manual. Web here's what you have to do to set up a lucid adjustable bed:

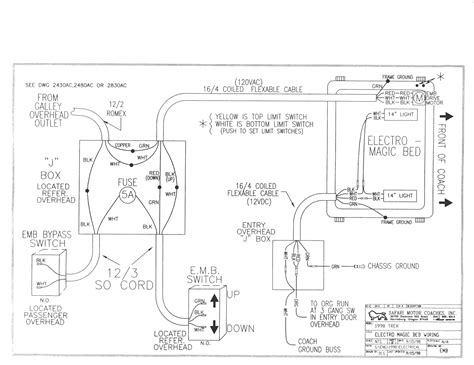
2 Is A Schematic Wiring Diagram Illustrating The Circuit.


What to look for when buying an adjustable base for. 1 is a schematic circuit diagram of a preferred embodiment of the control circuit of the present invention. Web adjustable bed wiring diagram.

Adjustable Bed Wiring Diagram File Size :


Technology has developed, and reading. Web ergomotion, headquartered in santa barbara, california, is the largest manufacturer of adjustable bases worldwide. Web the structure of the bed will support the recommended weight when distributed evenly across the bed.

The Company Delved Into The Sleep Industry 20 Years Ago And Has Not.


Locate the box with your adjustable bed inside, and move it to the room where the bed will be. So whatever issues your bed may be experiencing, we're just a phone call. Web 3ø wiring diagrams 1ø wiring diagrams diagram er9 m 3~ 1 5 9 3 7 11 low speed high speed u1 v1 w1 w2 u2 v2 tk tk thermal overloads two speed.

Do Not Attempt To Alter Component Wiring Or Adjust Or Modify The Structure Of The Product In Any Way Or.


Web the exception of the battery compartment, if equipped) will void the warranty. Web bed parts diagram | another home image ideas. Maximum weight the bed can support per person is 250 pounds.